![]() |
咨詢熱線:13905285398
|
產品中心 Products
center
|
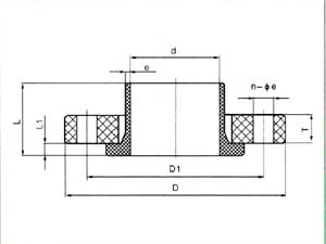
frpp大小管接頭、活套法蘭價格:面議發布時間:2022/4/1 17:31:58 來源:http://www.sdxinchao.com/ 生產廠家:鎮江市神龍電器管件有限公司 |
本文將會在frpp大小管接頭、活套法蘭的特性、用途、規格上面做詳細的說明與介紹,鎮江市神龍電器管件有限公司作為是專業的frpp大小管接頭、活套法蘭生產廠家,為您選購適合自己的產品做一定的指導是必要的。 要問frpp大小管接頭、活套法蘭哪里好,當選神龍管件。
詳細信息
我公司生產的frpp大小管接頭、活套法蘭品種多,frpp大小管接頭、活套法蘭主要連接尺寸(連接方式,熱熔承插),可根據客戶的具體要求定制frpp大小管接頭、活套法蘭,歡迎來電咨詢。


上一篇我們就frpp盲法蘭、活接做了詳細介紹和說明, _!在下一篇繼續做詳細介紹,如需了解更多我們的信息,請持續關注。
本文由frpp大小管接頭、活套法蘭生產廠家鎮江市神龍電器管件有限公司于2022/4/1 17:31:58整理發布。
轉載請注明出處:http://www.sdxinchao.com/flgj/4994.html。
上一篇: frpp盲法蘭、活接
下一篇:_!
相關新聞
- PP管的優點和選購注意事項2022-03-22
- FRPP管在施工過程中的規劃2022-03-15
- pp管的三點安裝工藝步驟2022-03-09
- PPH管的連接方式有哪三種2022-03-02
- FRPP管的運用范圍及改性性能2022-02-25
- 為什么pp管能廣泛用于環保排污工程2022-02-21
- PVDF管道焊接工藝的材料準備2021-11-26
- 選購時PP管件注意及購買后運輸2021-11-18
相關產品





